- Prodotti: Pre-miscelatori e Mixer
PX148 Enhanced
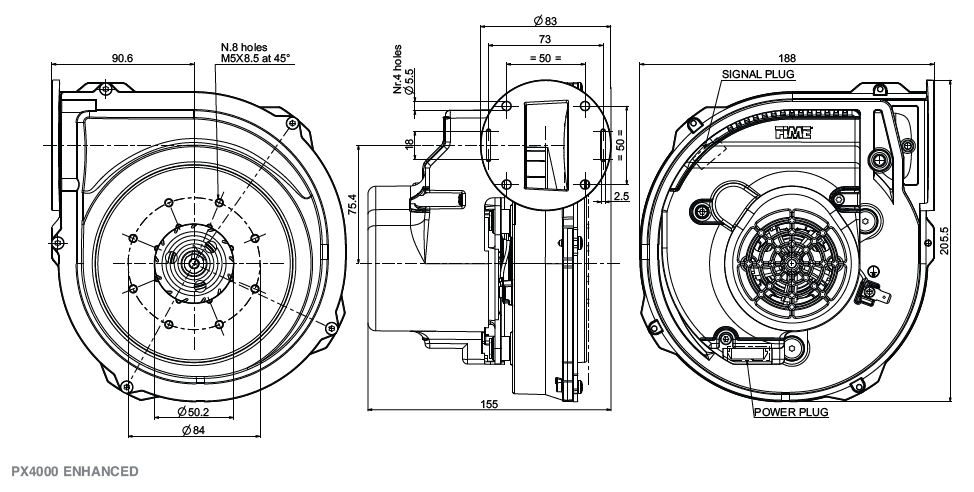
Ventilatore Premix per sistemi a condensazione fino a 150kW
Caratteristiche Tecniche
| Coclea | Alluminio pressofuso |
| Fissaggio Bocca di uscita | fori, asole, custom |
| Tipologia Inlet | compatibili con le valvole gas presenti sul mercato |
| Girante | plastica, antistatica |
| Rotazione | antioraria (lato uscita albero) |
| Alimentazione | 230V |
| Range Temperatura di esercizio | 0°C/ 70 °C |
Prestazioni
| Tipo | * |
|---|---|
| Tensione nominale [V] | 230 |
| Frequenza [Hz] | 50 |
| Portata [m³/h] | 90 |
| Pressione massima [Pa] | 2600 |
| Potenza [W] | 80 |
| Velocità massima [rpm] | 7000 |
* In tabella vengono mostrate le massime performance della serie PX148. Performance differenti possono essere realizzate tramite customizzazione

