- Prodotti: Pre-miscelatori e Mixer
- Applicazioni - Riscaldamento: Sistemi a Condensazione
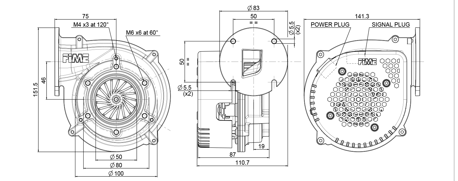
PX090
Ventilatore Premix per sistemi a condensazione fino a 40kW
Caratteristiche Tecniche
| Coclea | Alluminio pressofuso |
| Fissaggio Bocca di uscita | fori, asole, custom |
| Tipologia Inlet | compatibili con le valvole gas presenti sul mercato |
| Girante | plastica, antistatica |
| Rotazione | antioraria (lato uscita albero) |
| Alimentazione | 230V, 120V, 24V, Sensore di Hall |
| Range Temperatura di esercizio | 0°C/ 70 °C |
| Grado di Protezione | IP 00 |
| Classe di Isolamento | standard EN60335 – 1 |
Prestazioni
| Tipo | * |
|---|---|
| Tensione nominale [V] | 230 |
| Frequenza [Hz] | 50 |
| Flusso d'aria [m³/h] | 100 |
| Pressione massima [Pa] | 3500 |
| Potenza assorbita [W] | 70 |
| Velocità massima [rpm] | 12000 |
* In tabella vengono mostrate le massime performance della serie PX090. Performance differenti possono essere realizzate tramite customizzazione

