- Applicazioni - Elettrodomestici: Ventilatori per Forni
- Prodotti: Motori a poli schermati
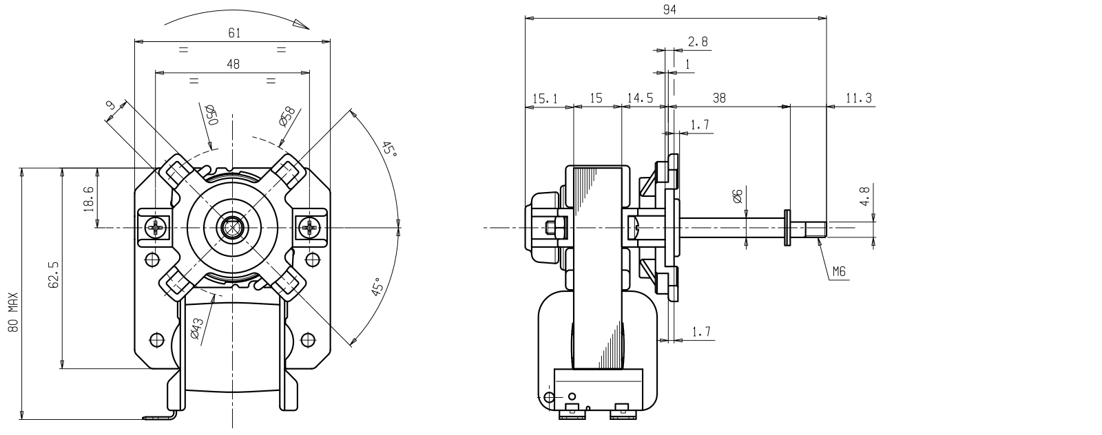
- Prodotti: Motori a poli schermati per forni
MOTORI A-C-L
Motori a poli schermati utilizzati in particolar modo per la distribuzione del calore all’interno di forni domestici e professionali o in piccoli sistemi di riscaldamento.
Disponibili in diverse configurazioni elettriche e meccaniche.
Caratteristiche Tecniche
| Tecnologia | Motore a poli schermati |
| Rotazione | Oraria / Antioraria |
| Sistema di Fissaggio | Tripode, attacco rapido, viti |
| Accessori | disponibili diverse tipologie di giranti in lamiera alluminata o in acciaio Inox. |
| Potenze | Fino a 80W |
| Tensioni | Da 100V a 400V e 50-60Hz |
| Coppie | Da 5 a 50 mNm |
| Velocità | 900 - 2600 rpm |
