- Applicazioni - Elettrodomestici: Ventilatori per Cappe e Piani Aspiranti
- Prodotti: Ventilatori Centrifughi
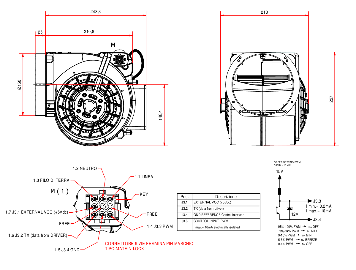
HEI-PMSM
Il ventilatore HEI-PMSM rappresenta una soluzione flessibile sviluppata da EMC FIME per rispondere alle diverse esigenze di mercati quali quello della ventilazione residenziale, delle cappe da cucina e di piani cottura aspiranti. Il ventilatore è dotato di un motore brushless per raggiungere portate fino a 1.200 m3/h ed è caratterizzato da:
Alte prestazioni
Bassa e buona qualità della rumorosità
Alta durabilità
Design compatto
Bassa e buona qualità della rumorosità
Alta durabilità
Design compatto
Caratteristiche Tecniche
| Materiale Convogliatore | Special PP mineral charged V2 |
| Materiale Girante | PP plastic V2 |
| Classe di isolamento | F 155 (EN 60335-1) |
| Classe di protezione | II |
| Modalità di funzionamento | Continua |
| Connessione ventilatore | Mate-n-lok 9 vie |
| Filtro carbone | Disponibile |
| Temperatura ambiente | 40 °C |
Prestazioni
| Ventilatore Tipo | HEI-PMSM 1000-01 | HEI-PMSM 1100 |
|---|---|---|
| Motore Tipo | Brushless | Brushless |
| [V] | 230 | 230 |
| [Hz] | 50 | 50 |
| Cuscinetti | YES | YES |
| Silenziatore | YES | YES |
| Velocità | - | - |
| Portata minima [m3/h ±5%] | - | - |
| Portata massima [m3/h ±5%] | 950 | 1100 |
| Potenza [W] | 220 | 220 |
| Capacitore | NO | NO |
| Rumore [dB(A)±5%] | 64,3 | 66,5 |
| Pressione statica massima [PA ±5%] | 590 | 595 |
| FDE [% ±5%] | 45,2 | 47 |
| Categoria | A++ | A++ / A+++ |
