- Applicazioni - Elettrodomestici: Ventilatori per Cappe e Piani Aspiranti
- Prodotti: Ventilatori Centrifughi
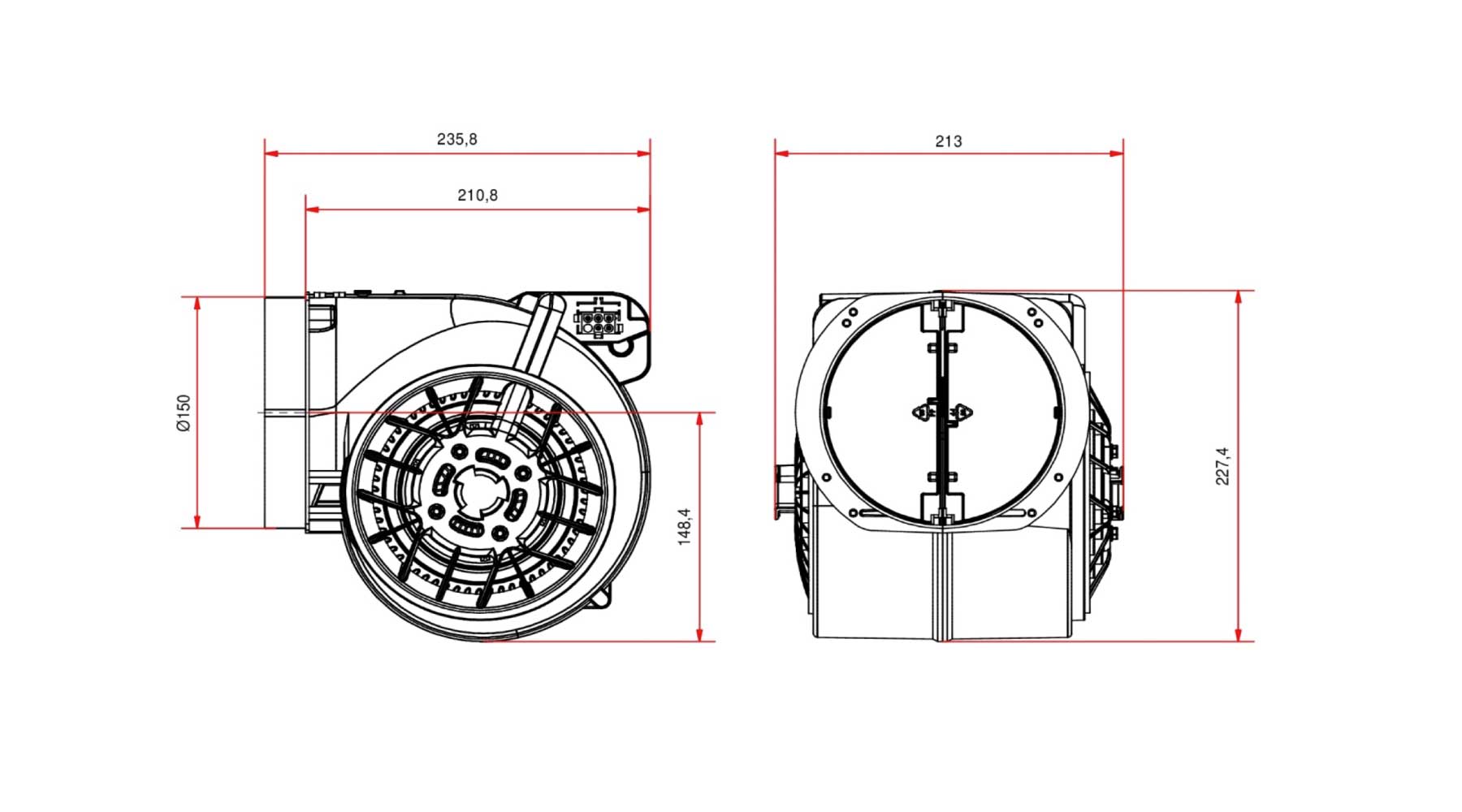
HEI
Il ventilatore HEI rappresenta una soluzione flessibile sviluppata da EMC FIME per rispondere alle diverse esigenze di mercati quali quello della ventilazione residenziale, delle cappe da cucina e di piani cottura aspiranti. Il ventilatore può essere dotato di una vasta gamma di motori per raggiungere portate fino a 800 m3/h ed è caratterizzato da:
Alte prestazioni
Bassa e buona qualità della rumorosità
Alta durabilità
Design compatto
Bassa e buona qualità della rumorosità
Alta durabilità
Design compatto
Caratteristiche Tecniche
| Materiale Convogliatore | Special PP mineral charged V2 |
| Materiale Girante | PP plastic V2 |
| Classe di isolamento | F 155 (EN 60335-1) |
| Classe di protezione | II |
| Modalità di funzionamento | Continua |
| Connessioni controllo | Plug-in 6/9 vie |
| Filtri carbone | Disponibili |
| Temperatura ambiente | 40°C |
Prestazioni
| Ventilatore Tipo | HEI800 | HEI650-01 |
|---|---|---|
| Motore Tipo | Capacitor | Capacitor |
| Voltaggio [V] | 220/240 | 230 |
| Frequenza [Hz] | 50/60 | 50 |
| Cuscinetti | YES | YES |
| Silenziatore | YES | YES |
| Velocità | 4 | 4 |
| Portata minima [m³/h ±5%] | 314 | 233 |
| Portata massima [m³/h ±5%] | 738 | 668 |
| Potenza [W] | 279 | 268 |
| Capacitore | YES | YES |
| Rumore [dB(A)±5%] | 59,9 | 59,5 |
| Pressione statica massima [PA ±5%] | 604 | 583 |
| FDE [% ±5%] | 37 | 36,4 |
| Categoria | A+ | A+ |
