- Applicazioni - Elettrodomestici: Ventilatori per Cappe e Piani Aspiranti
- Prodotti: Ventilatori Centrifughi
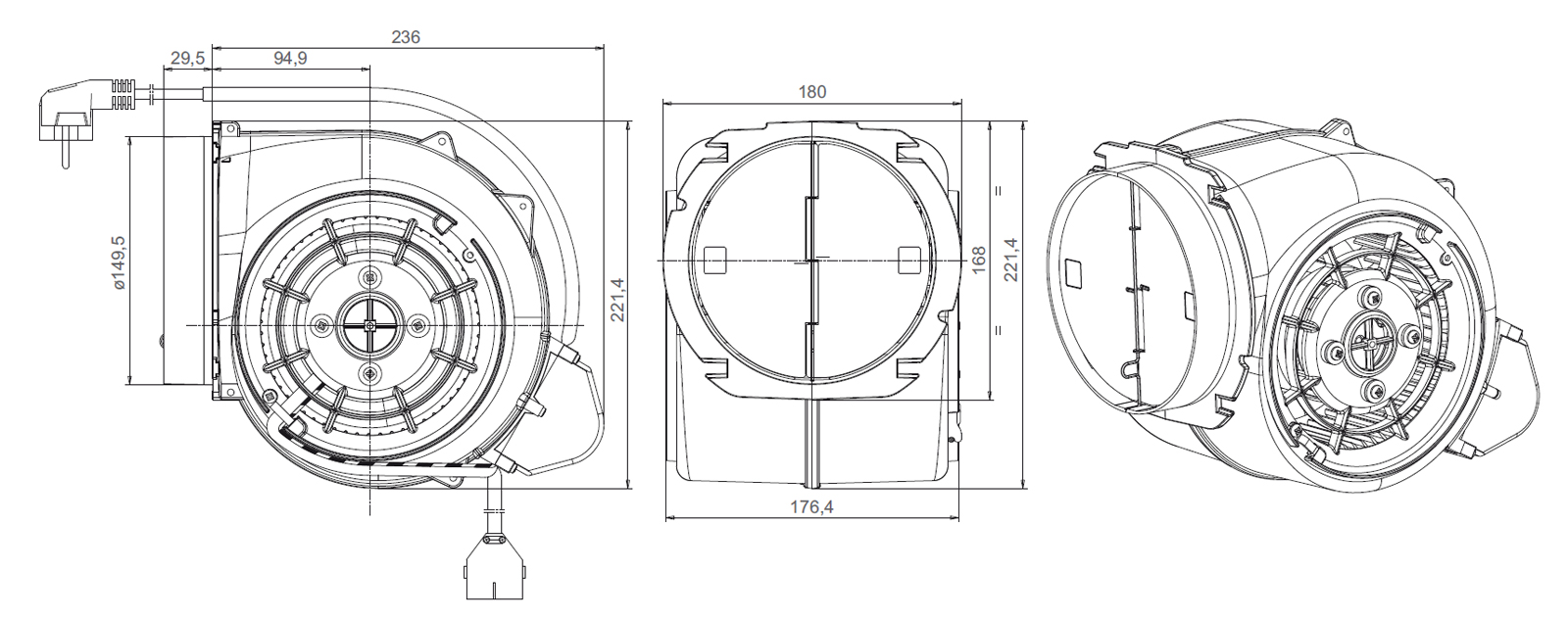
TN3000
Ventilatori ad alta efficienza e di dimensioni compatte equipaggiati con una vasta gamma di motorizzazioni per raggiungere portate d’aria fino a 850 m3/h garantendo una ridotta rumorosità ed elevata efficienza energetica in conformità alle direttive ErP.
In dotazione una vasta gamma di accessori, quali valvole di non ritorno, filtri carbone e connettori per soddisfare ogni esigenza.
Caratteristiche Tecniche
| Coclea | Alluminio pressofuso |
| Alimentazione | 230V / 120 V |
| Frequenza | 50-60Hz |
| Classe di isolamento | 155 in accordo con EN 60335 |
| Range Temperatura di Esercizio | 10 °C / 55°C |
| Opzioni | connettori e cablaggio modificabili su richiesta, valvola di non ritorno, riduttori |

